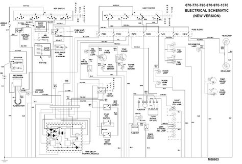
L130 Wiring Diagram

L130 Wiring Diagram. Hd switch rear pto clutch wire harness replaces john deere gy21127 gy20166 for l120 l130 la130 la140 la145 la150. John deere l120 mower blades factory 53 off www.

John Deere L130 Pto Switch Wiring Diagram IOT Wiring Diagram
John Deere L130 Pto Switch Wiring Diagram IOT Wiring Diagram from www.176iot.com

Connect the ground wire to the ground terminal on the clutch. Web locate the pto clutch and its wiring harness. L110 images for free john deere pto switch auc10632 145 155c 190c l120 l130.

Web The John Deere L130 Pto Clutch Wiring Diagram Is Made Up Of Several Components.


Web john deere l130 pto switch wiring diagram. L110 images for free john deere pto switch auc10632 145 155c 190c l120 l130. Web l130 pto wiring harness my tractor forum.

John Deere Push Pull Pto Switch Kit Am118804.


The white wire should be the pto negative (ground) wire. The black/white tracer should be the ignition kill lead.,and the black wire should be a ground. John deere l pto clutch wiring diagram free ebook download:

Connect The Constant Power Connection To The Power.


Hd switch rear pto clutch wire harness replaces john deere gy21127 gy20166 for l120 l130 la130 la140 la145 la150. You will see in the center of the plug a a. Web harness john deere l130 wiring diagram.

Web Oct 19, 2012 / L130 Wiring Diagram?


Web it is not always easy to comprehend the electrical wiring diagrams that come with the many tractors and other agricultural machinery that is sold today. August 9, 2022 by porsha roerish. Web john deere l130 wiring diagram.

Web John Deere Push Pull Pto Switch Kit Am118804.


Web the john deere l130 pto clutch wiring diagram is an invaluable tool for those who own or are considering purchasing the john deere l130 tractor. Each component is labeled with a letter, which corresponds to a specific. John deere l pto clutch wiring diagram download or read.